Air Compressor Magnetic Starter Wiring Diagram

Air Compressor Magnetic Starter Wiring Diagram

A 5 Hp Electric Motor Starter Wiring Wiring Diagram

Square D Diagrams Wiring Diagram 500

3 Phase Air Compressor Motor Starter Wiring Diagram

Magnetic Contactor Hermawan S Blog Refrigeration And Air

Curtis Air Compressor Model C 80 Twin Cylinder Lot No C 8060 A

5hp Electric Motor Starter Wiring Wiring Diagram

7 5 Hp Ingersol Rand Air Compressor Wiring Diagram Wiring

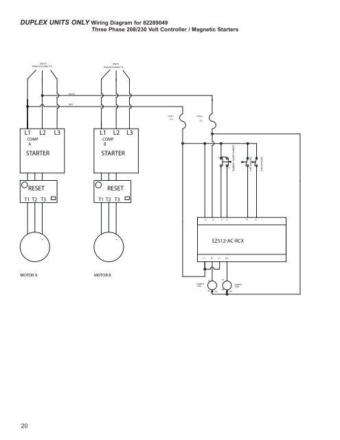
Duplex Units Only Wiring

Diagram Air Compressor Wiring Diagram 3 Phase Full Version

Air Compressor Magnetic Starter Wiring Air Compressor

Share:

Posting Lainnya:

Disqus Comments